Menu

☎ +420 555 508 643

shop@hydrolider.cz
po-pá 9:00 - 15:30

Ventilový dělič 50:50 hliníkové závity: 3/4" průtok: 40-90L/min, max. tlak: 210bar

Dostupnost: Zeptejte se na termín dodání ?
Cena s DPH: 5 132,00 Kč 5132.00
Cena bez DPH: 4 241,32 Kč
quantity ks
přidat na seznam přání
Dodavatel: HYDROLIDER
Katalogové číslo: 81.35.55.025

Popis

 

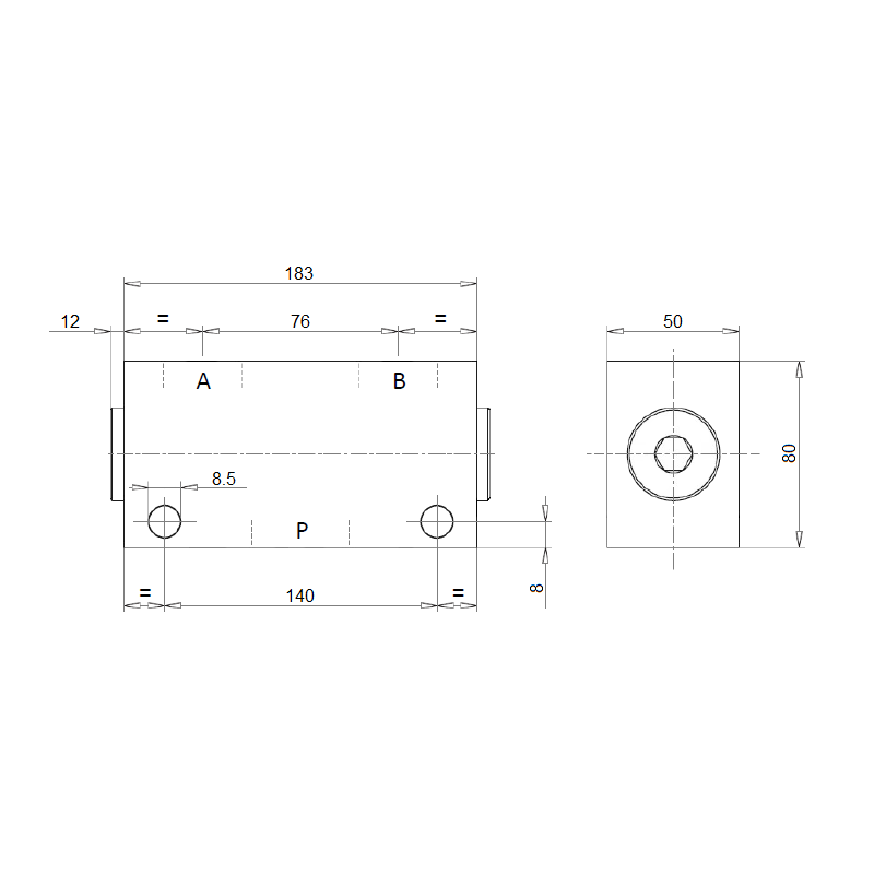
HYDRAULICKÝ VENTIL S DĚLIČEM PRŮTOKU 50:50 3/4"

DOPORUČENÝ PRŮTOK JE MEZI 40 - 90L/MIN

 

Výrobce dílů: Hydrolider
Aplikace:

Je široce používán v hydraulických systémech v zemědělství, stavebnictví a průmyslu.

Dělič průtoku rozděluje průtok vstupního oleje (P) na dvě stejné části A 50 % a B 50 % (tolerance 5 %), bez ohledu na změny průtoku a tlaku. V opačném směru se toky spojují.
Používá se v systémech, kde je požadováno rozdělení hlavního proudu oleje na dva menší, nezávislé proudy nebo naopak. Aby rozdělovač rozděloval olej rovnoměrně (s tolerancí 5%), doporučuje se udržovat průtok oleje v rozmezí doporučeném výrobcem.

Je ideální, když dva identické pohony, pracující nezávisle, napájené z jednoho čerpadla a ovládané ze stejného distributoru, musí pracovat stejným tempem. Ve většině případů použití jednoduchého odpaliště nestačí.

Ventil je také vhodný pro systémy, kde je potřeba rozdělit hlavní proud oleje vycházející z čerpadla na dva stejné a nezávislé proudy, pomocí kterých lze vytvořit dva nezávislé hydraulické systémy.

Spojení:
Připojte P k elektrickému vedení a A a B k zátěžím
Doporučený rozsah průtoku vstupujícího do P:
40 -90 l/min
Počet hydraulických otvorů v těle:
3
Vnitřní závity v těle:
vstup: G 3/4"; výstupy: G 1/2"
Maximální povolený tlak:
210bar
Tolerance chyby zdvihu válce:
5%
Materiál:
hliník
Přípustná okolní teplota:
-40 C až +60 C
Přípustná teplota oleje:
-15 C až +80 C
Doporučený hydraulický olej:
na bázi minerálního oleje, např. HL 32 nebo HL 46
nahoru
Shop is in view mode
Zobrazit plnou verzi stránky
Sklep internetowy Shoper.pl