Menu

☎ +420 555 508 643

shop@hydrolider.cz
po-pá 9:00 - 15:30

Dvojitý uzavírací ventil BHB08-107 uzavírací dvojčinný pohon závity: 3/8" průtok: 60L/min max. tlak: 350bar

Dostupnost: skladem
Odesláno v rámci: 48 hodin
Cena s DPH: 999,00 Kč 999.00
Cena bez DPH: 825,62 Kč
quantity ks
přidat na seznam přání
Dodavatel: HYDROLIDER
Katalogové číslo: 81.35.17.030

Popis

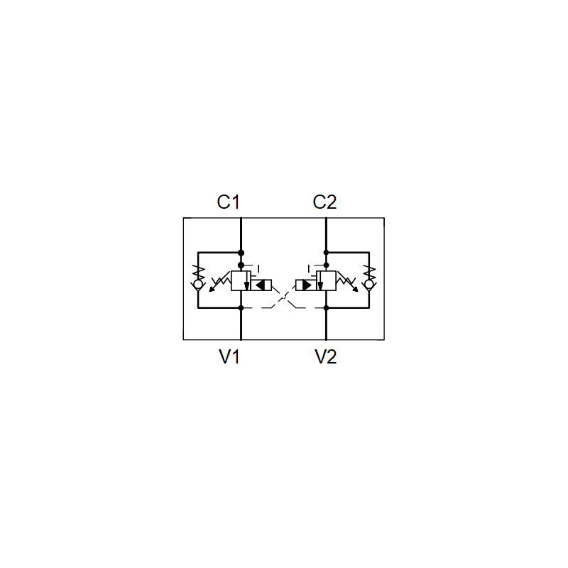
DVOJČINNÝ BLOKOVACÍ VENTIL BHB08-107 PRO DVOJČINNÝ SERVOPOHON

 

Symbol: 1.35.17.030
Výrobce dílu: Hydrolider
Aplikace:

Ventil je široce používán v hydraulických systémech v zemědělství, stavebnictví a průmyslu. Ventil používaný k ovládání a blokování pohybu pístnice ovladače v obou směrech. Kromě toho
funguje také jako hydraulický zámek s nastavitelným bezpečnostním tlakem.

Spojení:
  • Připojte V1 a V2 k přívodním sekcím např. v hydraulickém rozvaděči.
  • Připojte C1 a C2 k přijímači, např. dvojčinný pohon.
  • Průtok z V1 do C1 a V2 do C2 je zcela zablokován, když na V1 a V2 není žádný tlak.
  • Proud z V1 do C1 a z V2 do C2 se otevře, když je na V1 nebo V2 aplikován tlak.

Maximální průtok:

60 l/min

Maximální tlak:

350 bar

Počet hydraulických otvorů v těle:

4

Vnitřní závity v těle:

BSP 3/8"

Materiál:

galvanizovaná ocel

Přípustná okolní teplota:

-40 C až +60 C

Přípustná teplota oleje:

-15 C až +80 C

Typ oleje:

hydraulický olej na bázi minerálního oleje
 
 
nahoru
Shop is in view mode
Zobrazit plnou verzi stránky
Sklep internetowy Shoper.pl