Menu

☎ +420 555 508 643

shop@hydrolider.cz
po-pá 9:00 - 15:30

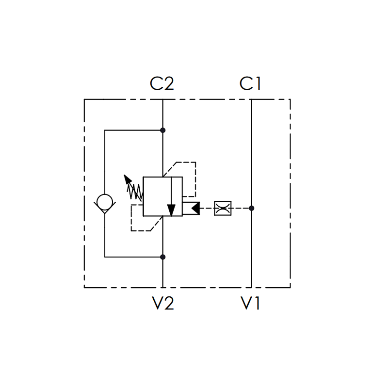
Jednocestný ventil přetížení-blokování COUNTERBALANCE VBCL závity: 3/4 "průtok: 120L/min max. tlak: 350bar

Dostupnost: skladem
Odesláno v rámci: 24 hodiny
Cena s DPH: 1 766,00 Kč 1766.00
Cena bez DPH: 1 459,50 Kč
quantity szt
přidat na seznam přání
Dodavatel: OLEOWEB
Katalogové číslo: 81.35.18.220

Popis

 

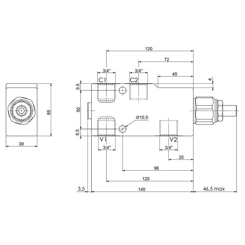
HYDRAULICKÝ VENTIL COUNTERBALANCE "ZÁMEK" VBCL 3/4"

PRO DVOJÚČINNÝ VÁLEC
 

Symbol: 81.35.18.220
Výrobce dílů: Oleoweb
Aplikace: TUR, kyklopy, zemědělské a průmyslové stroje, vysokozdvižné vozíky a další hydraulicky ovládaná zařízení. Doporučeno, když ventily "OVERCENTER" nefungují správně, např. způsobí přeskakování pohonu
Maximální průtok: 120L/min
Počet hydraulických otvorů v těle:
4
Vnitřní závity v těle:
3/4"
Tovární nastavení přepouštěcího ventilu:
350 bar
Materiál: galvanizovaná ocel
Vnitřní části: broušené
Maximální povolený tlak: 350 bar
Přípustná okolní teplota:
-20 °C až +50 °C
Přípustná teplota oleje:
-20 °C až + 80 °C
Typ oleje:
hydraulický olej na bázi minerálního oleje
nahoru
Shop is in view mode
Zobrazit plnou verzi stránky
Sklep internetowy Shoper.pl