Menu

☎ +420 555 508 643

shop@hydrolider.cz
po-pá 9:00 - 15:30

3-sekční hydraulický rozvaděč 160L se sekcí se západkou pro ovládání hydromotoru

Dostupnost: skladem
Odesláno v rámci: 48 hodin
Cena s DPH: 8 731,00 Kč 8731.00
Cena bez DPH: 7 215,70 Kč
quantity ks
přidat na seznam přání
Dodavatel: BADESTNOST
Katalogové číslo: 81.10.20.034

Popis

 

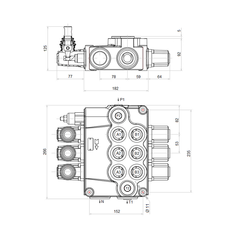
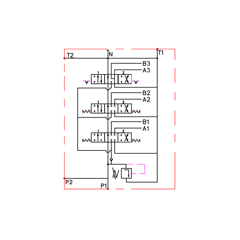
3-SEKČNÍ HYDRAULICKÝ ROZVADĚČ 160L/min

PRVNÍ A DRUHÁ SEKCE SE ŠOUPÁTKEM PRO OVLÁDÁNÍ

2CESTNÉHO AKTUÁTORU3. SEKCE S ŠOUPÁTKEM A

ZÁPADKOU PRO OVLÁDÁNÍ HYDROMOTORU

 

Symbol: 81.10.20.034
Výrobce dílů: Badestnost
Aplikace: široce používané v hydraulických systémech ve stavebnictví, zemědělství a průmyslu. Rozvaděč je přizpůsoben různým typům strojů jako jsou: zemědělské stroje, kypřiče půdy, obraceče, sekačky, stavební stroje, zametače, míchačky, průmyslové stroje a další hydraulicky ovládaná zařízení, třetí sekce v rozvaděči je ideální pro ovládání hydromotoru
Maximální průtok: 160L/min
Vnitřní závity v těle:
napájení: BSP 1 ''; návrat: BSP 1 ''; sekce: BSP 1 ''; otvor N pro sériové připojení: M36x1,5
Maximální vstupní tlak:
250Bar
Maximální vratný tlak: 
50Bar
Maximální tlak v sekcích:
300Bar
Přepadový ventil:
továrně nastaveno na 175 Bar ± 30 Bar
Regulace: plná otáčka o 30 barů
Přípustná okolní teplota:
-40 C do +60 C
Přípustná teplota oleje:
-15 C do +80 C
Typ kapaliny:
hydraulický olej na bázi minerálního oleje, např. HL 32 nebo HL 46
nahoru
Shop is in view mode
Zobrazit plnou verzi stránky
Sklep internetowy Shoper.pl