Menu

☎ +420 555 508 643

shop@hydrolider.cz
po-pá 9:00 - 15:30

1 sekce 40L/min hydraulické potrubí s jednosměrnou západkou vzadu

Dostupnost: skladem
Odesláno v rámci: 48 hodin
Cena s DPH: 1 736,00 Kč 1736.00
Cena bez DPH: 1 434,71 Kč
quantity ks
přidat na seznam přání
Dodavatel: BADESTNOST
Katalogové číslo: 81.10.00.011.2

Popis

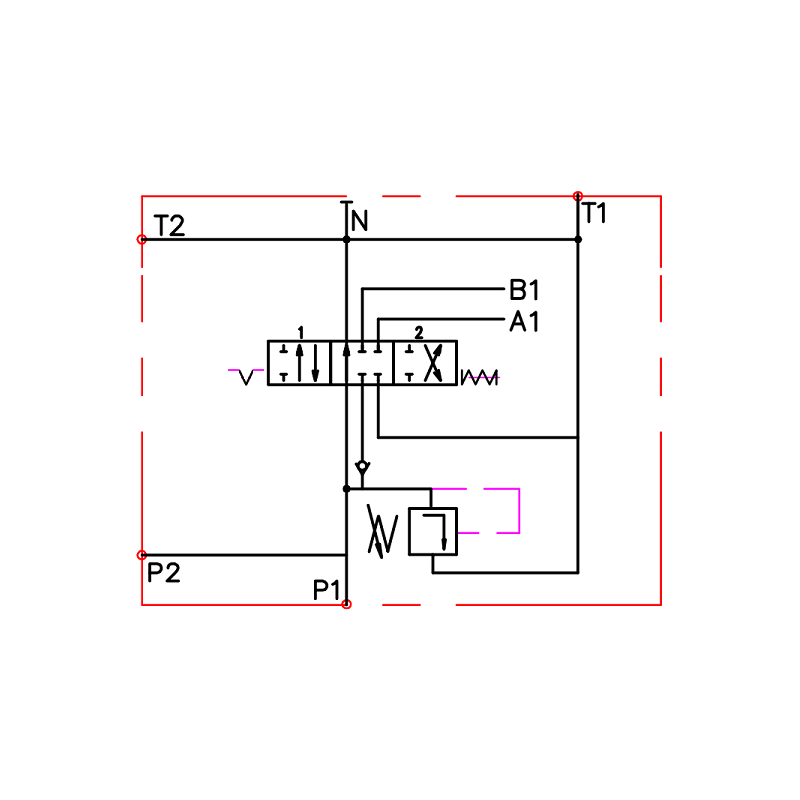
HYDRAULICKÉ POTRUBÍ 1 SEKCE P40L/min

SE ZÁPADKOU NA JEDNO SMĚRU ZADU

 

Symbol: 81.10.00.011.2
Výrobce dílů: Badestnost
Aplikace

Rozvaděč je přizpůsoben různým typům strojů jako jsou: zemědělské stroje, traktory, postřikovače, rounds, kyklopy, nakladače HDS, stavební stroje, nakladače, bagry, zametače, průmyslové stroje a další hydraulicky ovládaná zařízení. Příklad ovládání: dvojčinný hydraulický válec, dvojčinný hydromotor pohánějící malou hmotu.

Maximální průtok: 40 l/min
Vnitřní závity v těle: P/T: 1/2'' ; A/B: 3/8''
Práce s pákou: tři polohy (1 - 0 - 2)
Polohování páky: západka drží páky v pracovní poloze dozadu. Z pracovní polohy vpřed se páka vrací do neutrální polohy automaticky pomocí pružiny.
Hydraulické schéma jezdce: A (po uvolnění páky do neutrální polohy jezdec odpojí výstupy A a B, což má za následek okamžité zastavení a zablokování přijímače, např. servomotoru nebo hydromotoru)
Maximální přívodní tlak: 250 barů
Maximální vratný tlak 50 barů
Maximální tlak na sekce: 300 barů
Přepouštěcí ventil:

Otevírací tlak přepouštěcího ventilu se zvyšuje úměrně s rostoucím průtokem:

 

180 bar při 10 l/min
190 bar při 20 l/min
200 bar při 30 l/min
210 bar při 40 l/min

 

Sady pro přesné měření tlaku naleznete v sekci Manometry - měřicí sady

 

Před spuštěním se doporučuje zkontrolovat a nastavit správný tlak. Možnost samoregulace, změna plné rotace o 30Bar.

Přípustná okolní teplota: -40C až +60C
Přípustná teplota oleje: -15 C až +80 C
Doporučený hydraulický olej: na bázi minerálního oleje, např. HL 32 nebo HL 46

 

 
 
nahoru
Shop is in view mode
Zobrazit plnou verzi stránky
Sklep internetowy Shoper.pl